中国新型战机普遍应用光纤陀螺导航系统(图)(4)
参与互动(0)
图2 光子晶体光纤结构示意图

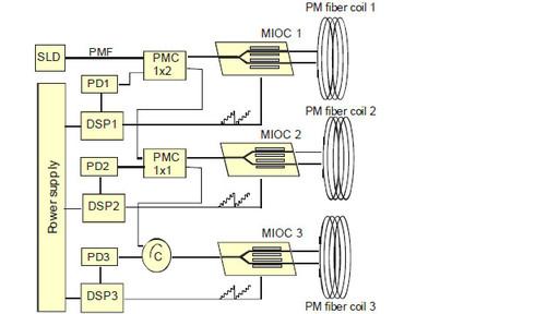
图3 采用光源复用技术的三轴光纤陀螺
光纤陀螺发展趋势
作为测量角速率的惯性器件,光纤陀螺具有精度高、无运动部件、可靠性高等特点,同时在同精度水平的传感器中价格相对较低,其应用前景十分广阔。经过近40年的发展,光纤陀螺技术已经基本成熟,但其仍具有巨大的发展空间。根据应用对传感器的要求,光纤陀螺的总体发展趋势有以下几个:
1、高精度光纤陀螺
目前光纤陀螺的精度已经达到了战略级武器应用的水平,但主要还是应用于战术级武器导航。同时其测量精度也仍未发展到极限,还有很多非互易效应造成的测量误差需要解决。目前针对高精度光纤陀螺的研究中出现了多种技术方案:
在光纤陀螺中应用光子晶体光纤(PCF),光子晶体光纤是一类具有特殊内部结构的光纤,典型的新型光纤陀螺使用的光子晶体光纤结构如图2所示。
由于光子晶体光纤中光主要在空气芯层中传播,而空气芯层较传统光纤的玻璃芯层为各向同性介质,具有很小的沃尔德系数以及很低的热膨胀系数,导致它们造成的Kerr效应、Faraday效应和Shupe效应很低。通过采用此类光纤作为光纤陀螺的敏感环,可以将光纤陀螺内的噪声源进一步降低:Kerr效应降低170倍以上、Shupe效应降低6.5倍、Faraday效应降低20倍以上,从而提高光纤陀螺的测量精度。
在光纤陀螺中采用激光光源。光纤陀螺研究初期,学术界普遍认为瑞利散射是光纤陀螺一大噪声源,因此采用宽光谱的SLD光源来抑制瑞利散射对干涉结果的影响。但是SLD的平均波长稳定性差,导致光纤陀螺具有较大的标度因数误差,目前常见的光纤陀螺标度因数稳定性为10ppm,低于高精度惯导所要求的1ppm量级。而激光光源具有非常稳定的输出波长(小于1ppm),若能应用于光纤陀螺可以大幅提高标度因数稳定性。
最近的理论与实验研究表明,使用改进的窄线宽激光二极管光源,通过选取合适的激光器波长和线宽,并在光学器件连接中实现精确对准,可以降低光纤中的瑞利散射效应,这样在保证陀螺性能的同时能够提高标度因数稳定性(角度随机游走系数达到0.003○/√h)。同时有些文献了提出采用窄线宽激光器和光子晶体光纤结合的方法,通过光子晶体光纤中瑞利散射极低的特性,结合窄线宽激光器高稳定输出波长的特点,提高光纤陀螺的探测精度和标度因数稳定性。
2、光纤陀螺小型化与可靠性提升
在保持测量精度的前提下降低光纤陀螺的体积、重量,提高光纤陀螺的可靠性,以提高整个应用系统的设计冗余,同时适用特殊环境下的应用,如深海、太空环境等。
小型化方面的主要技术是各类集成和复用技术,包括将各个电子器件集成在单一芯片上的片上系统(SoC, System on a Chip),通过片上系统的合理设计,可以大大降低光纤陀螺处理电路的体积并降低内部电子串扰,提高其稳定性;将光源和探测器一体化的有源器件集成技术,可以降低光学系统的体积,并提高集成度等。
3、光纤陀螺的其他发展方向
通过三个光学系统共用一个光源,可以减少光源的数量、减少体积和功率损耗,提高光纤陀螺的集成度。
图3所示为俄罗斯Optolink公司研制的三轴光源复用光纤陀螺结构示意图,通过光源复用降低了系统体积与功耗。
通过信号处理和补偿等方法提高光纤陀螺可靠性,例如为了满足太空空间应用中的辐照环境,国际上提出了一种在辐照条件下的角随机游走预测模型,根据探测到的光源光强对辐照条件下的光纤陀螺角随机游走进行预测,将预测值与光纤陀螺输出数据的角随机游走比较后对光纤陀螺的器件状态进行诊断,并采用相应的修复和补偿策略。图4所示为采用此预测模型的四轴光纤陀螺,结合预测模型和光源冗余设计,可以大大提高光纤陀螺在太空复杂环境下的可靠性。
光纤陀螺市场商机无限
光纤陀螺属于全固态陀螺,无活动部件,具有启动快、检测灵敏度高、分辨率高、动态范围宽,机械环境适应性强、可靠性高等特点,是当今惯性器件发展的方向。它以其无与伦比的优势取代了机械旋转质量陀螺的繁冗操作和诸多的日常维护,也克服了环形激光陀螺的闭锁现象,更省去了为保持小转速的灵敏度所采取的防机械抖动措施,因此具有更为广阔的应用前景。
1、用于无人机、直升机、民用小飞机等,作为主导航系统使用。国内正在加快低空开放工作,给民用飞机、直升机和无人机提供了广阔的需求。随着国家经济的发展和人民生活水平的提高,各种民用飞机和无人机已经开始进入个人消费领域。可以预计,将来很长一段时间内,国际、国内对各种飞机的需求很大,必然带动对光纤陀螺的需求,光纤陀螺在这方面具有很好的应用前景。
2、随着我国海洋活动的频繁,需要数量巨大的各类船舶,光纤陀螺的可靠性高、寿命长等优点,非常适合应用于船舶导航。
3、民用机器人领域。民用机器人是一个新兴的行业,同样需要对其进行方向和姿态的控制。而光纤陀螺体积小、重量轻、成本低的特点正好与机器人的要求一致。
4、国内经济持续发展,矿井开采、油井测量、石油勘探、地面车辆导航、土木工程测量和隧道开凿等,需要大量的勘探测量系统,给光纤陀螺产品带来了无限商机。(白转石 毕军利)
>军事新闻精选:




















